doochÆßÇÁ
wiliÆßÇÁ
È¿¼ºÆßÇÁ
»ïÁ¤ÆßÇÁ
¿£ÁøÆ¯¼öÆßÇÁ
¸ðÅÍ
´ë¿µÆÄ¿öÆßÇÁ
´Ü´Üº¼·çÆ® DSV
´Ù´Ü¹ú·çÆ®DMV/Åͺó DMT
¼öÁ߯ßÇÁDWE
ÀζóÀÎÆßÇÁDLP
¿þ½ºÄÚÆßÇÁ DWP
.
´ë¿µÆÄ¿öÆßÇÁ
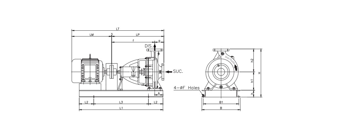
DSV(´Ü´Üº¼·çÆ®)
Á¦¸ñ
DSV ÆíÈíÀÔ¹ú·çÆ®
.
Á¶È¸¼ö
434
Ä«Å×°í¸®